产品中心 | 联系我们 您好,欢迎访问东莞市超翔电子有限公司官方网站,我们将竭诚为您服务!
风华高科授权代理商 一站式电子元器件整合供应商
全国咨询热线:0769-85325266
您的位置: 首页>产品中心>风华电容>焊针型电解电容器
焊针型电解电容器

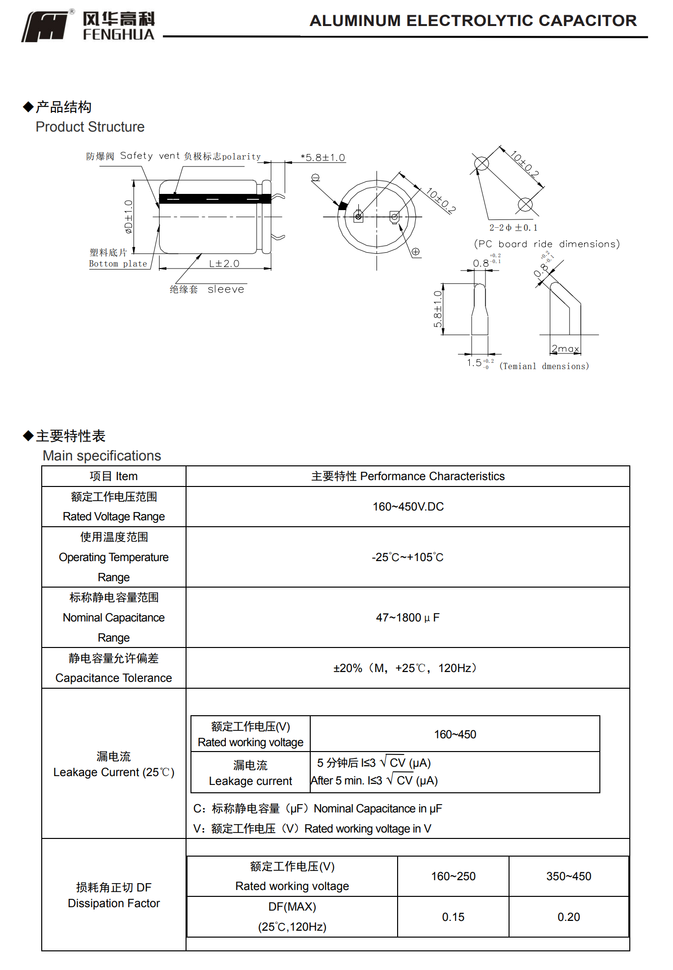
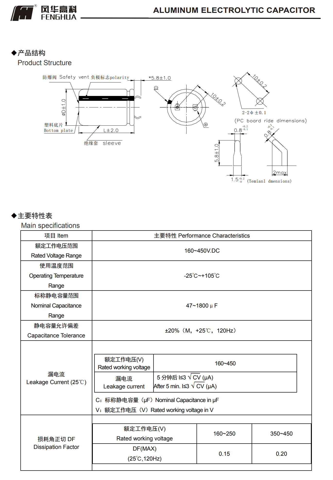
LG系列宽温度特长寿命焊针型电解电容器

■LG系列宽温度特长寿命焊针型电解电容器◆特征* 寿命: 105℃ 8000 小时* 宽温度范围* 符合 RoHS◆应用:* 适用于开关电源 、通信设备及其它各种电子产品

在线咨询全国热线
0769-85325266
产品描述

■LG系列宽温度特长寿命焊针型电解电容器

LG系列宽温度特长寿命焊针型电解电容器.png

◆特征

* 寿命: 105℃ 8000 小时

* 宽温度范围

* 符合 RoHS


◆应用:

* 适用于开关电源 、通信设备及其它各种电子产品


在线客服
联系方式

热线电话

0769-85325266

上班时间

周一到周六

手机号码

13712101206

微信二维码
线