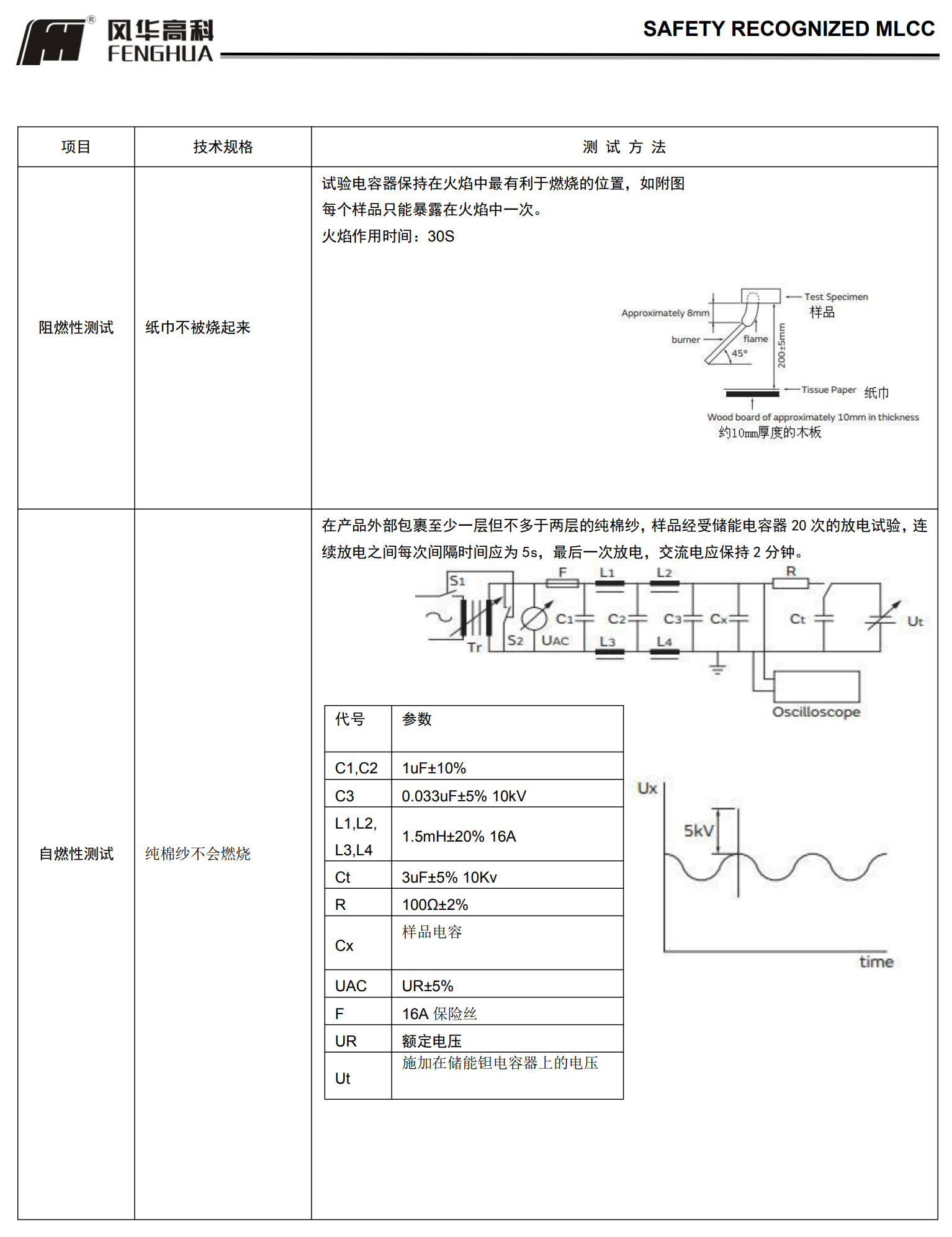
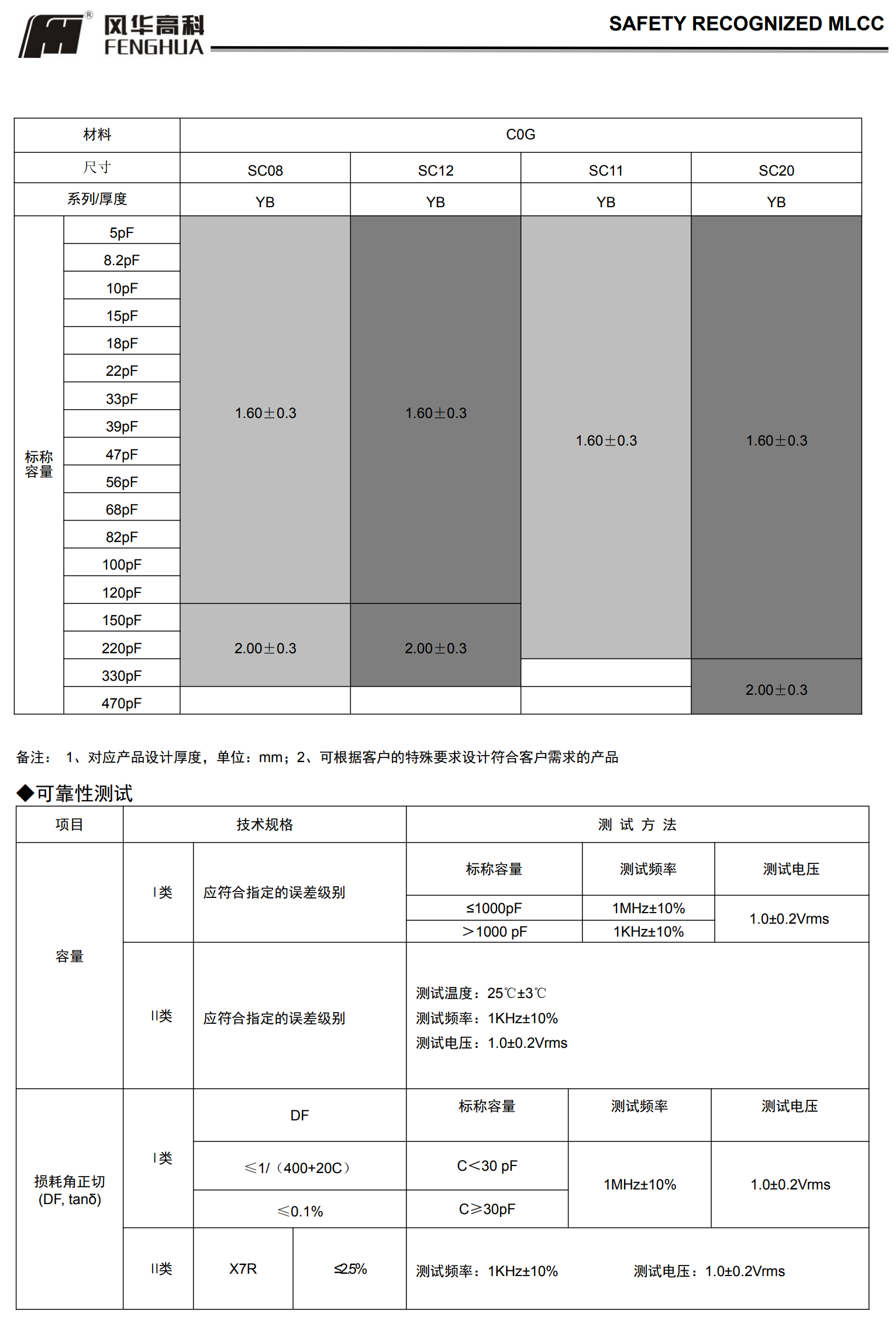
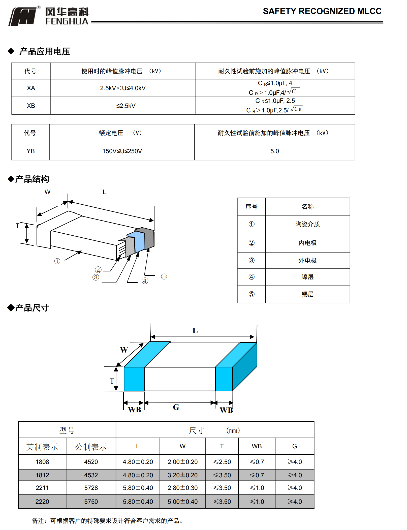
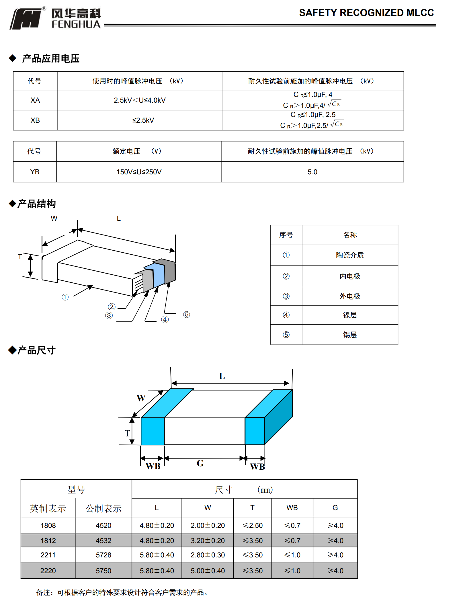
产品中心 | 联系我们 您好,欢迎访问东莞市超翔电子有限公司官方网站,我们将竭诚为您服务!
风华高科授权代理商 一站式电子元器件整合供应商
全国咨询热线:0769-85325266
您的位置: 首页>产品中心>风华电容>MLCC
MLCC

安全规格认证型多层片式陶瓷电容器

■ 安全规格认证多层片式陶瓷电容器◆ 特征* 新型独石结构,体积小,电容量高,能在高压下工作* 符合 60384-14 标准。* 仅用于回流焊接* 它们实用于薄型设备。◆ 应用* 适合于无变压器的 DAA 调制调解器线路滤波器及耦合用* 适合信息设备线路滤波器用。

在线咨询全国热线
0769-85325266
产品描述

■ 安全规格认证多层片式陶瓷电容器

安全规格认证型多层片式陶瓷电容.png

◆ 特征

* 新型独石结构,体积小,电容量高,能在高压下工作

* 符合 60384-14 标准。

* 仅用于回流焊接

* 它们实用于薄型设备。 


◆ 应用

* 适合于无变压器的 DAA 调制调解器线路滤波器及耦合用

* 适合信息设备线路滤波器用。


在线客服
联系方式

热线电话

0769-85325266

上班时间

周一到周六

手机号码

13712101206

微信二维码
线