产品中心 | 联系我们 您好,欢迎访问东莞市超翔电子有限公司官方网站,我们将竭诚为您服务!
风华高科授权代理商 一站式电子元器件整合供应商
全国咨询热线:0769-85325266
您的位置: 首页>产品中心>风华电容>MLCC
MLCC

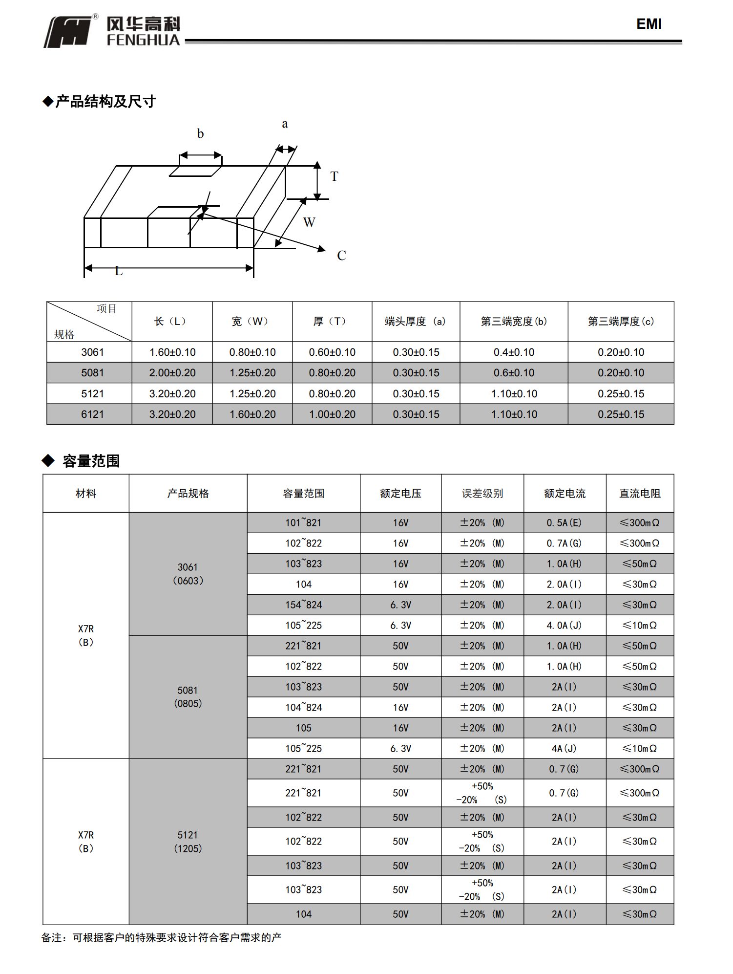
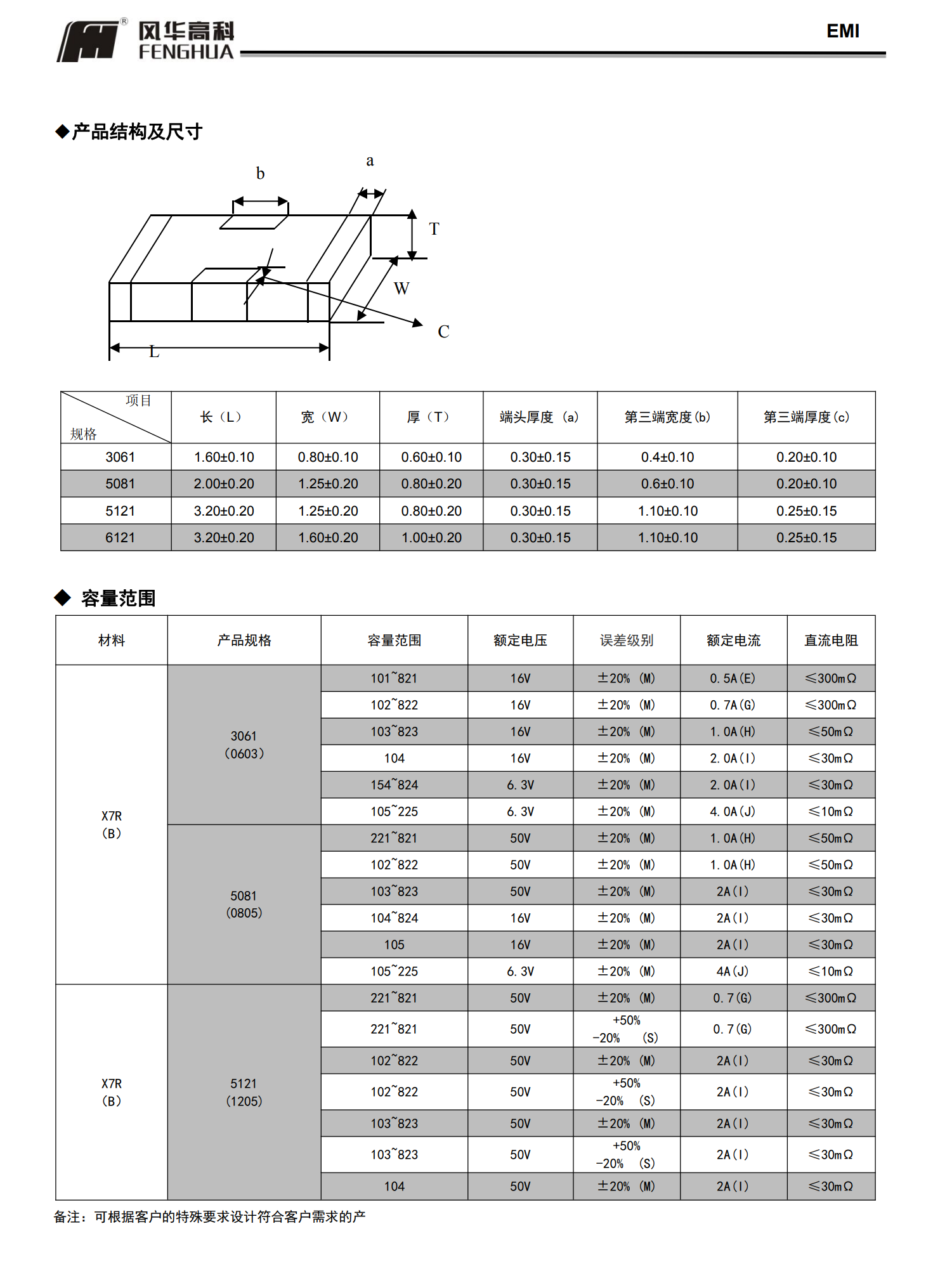
片式三端陶瓷滤波电容器

■ 片式三端陶瓷滤波电容器(EMI)◆ 特征* 叠层独石结构,具有高可靠性能* 具有优良的通流特性* 无极性,适合高密度的表面安装* 具有优良的滤波特性* 具有良好的吸收噪音、抑制浪涌脉冲的作用.* 具有良好的可焊与耐焊性能* 执行标准:GB/T 21041-2007 GB/T 21042-2007◆ 应用* 移动电话及基站* 通信设备* 自动化仪表和程序

在线咨询全国热线
0769-85325266
产品描述

■ 片式三端陶瓷滤波电容器(EMI)

片式三端陶瓷滤波电容.png

◆ 特征

* 叠层独石结构,具有高可靠性能

* 具有优良的通流特性

* 无极性,适合高密度的表面安装

* 具有优良的滤波特性

* 具有良好的吸收噪音、抑制浪涌脉冲的作用.

* 具有良好的可焊与耐焊性能

* 执行标准:GB/T 21041-2007 GB/T 21042-2007


◆ 应用

* 移动电话及基站

* 通信设备

* 自动化仪表和程序控制器

* 汽车电子

* 计算机及外围设备


在线客服
联系方式

热线电话

0769-85325266

上班时间

周一到周六

手机号码

13712101206

微信二维码
线